Products > 1x2 (2x2) Fused PM Fiber Standard Splitter (Mixer)
Features
  • Low Excess Loss
  • High Extinction Ratio
  • High Power Handling
  • Available for Slow or Fast Axis Operation
  • Telcordia GR-1221 Compliant Test
Applications
  • Optical Amplifier
  • Power Monitoring
  • Coherent Communication
  • Fiber Gyroscope
Specifications
Splitting Ratio and Its Tolerance
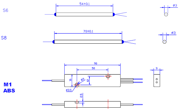
Package Dimension
Order Information
6F Gill Street, Woburn, MA 01801
Tel: 781-935 2800

Fax: 781-935 2860

©2002-2009 Boston Applied Technologies Incorporated. All rights reserved.