Products > 1x2 980/1550 Fused PM Fiber Standard WDM
Features
  • Low Excess Loss
  • High Extinction Ratio
  • High Power Handling
  • Available for Slow or Fast Axis Operation
  • Telcordia GR-1221 Compliant Test
Applications
  • PM Fiber EDFA
  • Monitoring in Coherent Communication
  • Fiber Lasers
Specifications
Typical Spectrum
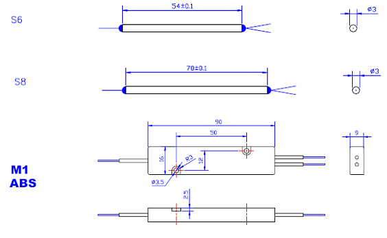
Package Dimension
Order Information
6F Gill Street, Woburn, MA 01801
Tel: 781-935 2800

Fax: 781-935 2860

©2002-2009 Boston Applied Technologies Incorporated. All rights reserved.