Products > DWDM 200GHz OADM Modules
Features
  • 200GHz channel spacing
  • Low insertion loss
  • High isolation
  • Epoxy-free optical path
  • High stability and reliability
Applications
  • Add/Drop Systems
  • CATV Systems
  • Dense WDM Systems
Specifications
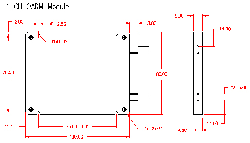
Package Dimension
Order Information
6F Gill Street, Woburn, MA 01801
Tel: 781-935 2800

Fax: 781-935 2860

©2002-2008 Boston Applied Technologies Incorporated. All rights reserved.